
នេះ stm8s103f3p6 គឺជាអ្នកផលិត Microconstrollor ដែលផលិតដោយ stmicroelectronics ដែលល្បីល្បាញដោយសារមុខងារគួរឱ្យចាប់អារម្មណ៍របស់វានិងការធ្វើសមាហរណកម្មគ្មានថ្នេរ។ឧបករណ៍តូចនេះត្រូវបានបំពាក់ដោយឧបករណ៍ម៉ោនឧបករណ៍ដែលបានម៉ោនលើផ្ទៃ (SMD) ដែលបញ្ចូលស្នូលកម្រិតខ្ពស់និងគ្រឿងបន្លាស់ដែលផលិតដោយប្រើបច្ចេកវិទ្យាយ៉ាងល្អិតល្អន់ដោយប្រើបច្ចេកវិទ្យាកាត់។ជាមួយនឹងប្រេកង់នាឡិកា 16 មេហ្គាហឺត stm8s103f3p6 មានសមត្ថភាពរឹងមាំ I / O រឹងមាំធានានូវដំណើរការទិន្នន័យនិងការដោះស្រាយទិន្នន័យប្រកបដោយប្រសិទ្ធភាព។កម្មវិធីកំណត់ពេលវេលាឃ្លានឯករាជ្យរបស់ខ្លួនដែលបំពាក់ដោយប្រភពនាឡិកាឯករាជ្យនិងប្រព័ន្ធសុវត្ថិភាពនាឡិកាធានានូវការអនុវត្តឧបករណ៍របស់ឧបករណ៍ល្អប្រសើរបំផុតនិងភាពធន់នឹងការរំខានដែលមានសក្តានុពល។
លក្ខណៈពិសេសមួយក្នុងចំណោមលក្ខណៈពិសេសនៃការឈររបស់វាគឺការចងចាំពន្លឺរបស់វាដែលផ្តល់នូវការផ្ទុកមិនប្រែប្រួលសម្រាប់លេខកូដនិងទិន្នន័យ។ជាមួយនឹងជួរវ៉ុលប្រតិបត្តិការដែលលាតត្រដាងពី 2,95 ទៅ 5.5 V ទៅ 5.5 V ទៅ 5.5 V ទៅ 5.5 V នេះក្រុមហ៊ុនមីក្រូវ៉េតនេះគឺអាចបត់បែនបាននិងសម្របខ្លួនទៅនឹងកម្មវិធីផ្សេងៗ។លើសពីនេះទៀតវាផ្តល់នូវសីតុណ្ហាភាពប្រតិបត្តិការធំទូលាយនៃ -40 អង្សាសេទៅ 85 អង្សាសេដែលធ្វើឱ្យវាសមស្របសម្រាប់ការដាក់ពង្រាយលក្ខខណ្ឌបរិស្ថានចម្រុះ។
• MSP430G2353
• Pic16lf1844T


ការប្រើប្រាស់ថាមពលទាប: វាមានរបៀបប្រើប្រាស់ថាមពលទាបជាច្រើនដើម្បីជ្រើសរើសរួមទាំងរបៀបការគេងរបៀបគេងរបៀបគេងជ្រៅដែលអាចពង្រីកអាយុកាលថ្មបានប្រកបដោយប្រសិទ្ធភាពនិងសន្សំសំចៃថាមពល។
ការសម្តែងខ្ពស់: វាប្រកាន់ខ្ជាប់នូវស្ថាបត្យកម្មស្នូល Stm8 ដែលមានដំណើរការខ្ពស់ដែលអនុញ្ញាតឱ្យប្រេកង់ប្រឡាក់ខ្ពស់ដល់ 16mhz ដែលធ្វើអោយប្រសើរឡើងនូវល្បឿនការប្រតិបត្តិនៃការបង្រៀននិងផ្តល់នូវសមត្ថភាពកុំព្យូទ័រដែលមានប្រសិទ្ធិភាពសម្រាប់កម្មវិធីរបស់យើង។
ចំណុចប្រទាក់ទំនាក់ទំនងជាច្រើន: វាគាំទ្រចំណុចប្រទាក់ទំនាក់ទំនងជាច្រើនប្រភេទរួមមានអេសអេស (ចំណុចប្រទាក់សម្រិតស៊ែរសៀរ) I2C និង UART ។តាមរយៈចំណុចប្រទាក់ទាំងនេះវាអាចប្រាស្រ័យទាក់ទងនិងប្រាស្រ័យទាក់ទងយ៉ាងងាយស្រួលជាមួយឧបករណ៍ខាងក្រៅយ៉ាងងាយស្រួលដើម្បីទទួលបានមុខងារនិងកម្មវិធីកាន់តែច្រើន។
គ្រឿងបន្លាស់ជាច្រើន: stm8s103f3p6 មានធនធានគ្រឿងបន្លាស់គ្រឿងបន្លាស់រួមទាំងការចងចាំពន្លឺ 16KB និងការចងចាំដែលបានប្រើជាទូទៅដូចជាឧបករណ៍កំណត់ពេលវេលា GPIO កម្មវិធីកំណត់ពេលវេលានិង UART ។ភាពចម្រុះនៃគ្រឿងបន្លាស់ទាំងនេះធ្វើឱ្យឧបករណ៍នេះសមស្របសម្រាប់សេណារីយ៉ូកម្មវិធីផ្សេងៗហើយអាចបំពេញតម្រូវការនៃវិស័យនិងឧស្សាហកម្មផ្សេងៗគ្នា។មិនថាវាជាការគ្រប់គ្រងឧស្សាហកម្មផ្ទះឆ្លាតផ្ទះឬប្រព័ន្ធបង្កប់ទេ stm8s103f3p6 អាចផ្តល់ការគាំទ្រ។

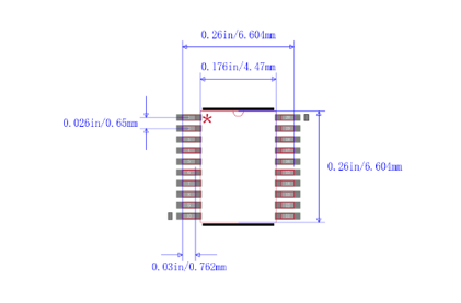
STM8S103F3P6 ត្រូវបានខ្ចប់ក្នុងកញ្ចប់គ្រោងតូចចង្អៀតស្តើង (TSSOP) និងមាន 20 ម្ជុល។រាងកាយនិងគម្លាតដឹកនាំមានទំហំតូចជាងកញ្ចប់សូរស័ព្ទស្តង់ដារ។លក្ខណៈពិសេសធម្មតានៃ TsSop គឺការបង្កើតម្ជុលនៅជុំវិញបន្ទះឈីបដែលបានខ្ចប់ដែលធ្វើឱ្យវាសមស្របសម្រាប់ការដំឡើងខ្សែភ្លើងនៅលើ PCBS ដោយប្រើបច្ចេកវិទ្យា SMT ។នៅពេលប្រើកញ្ចប់ TSSOP ប៉ារ៉ាម៉ែត្រប៉ារ៉ាស៊ីត (ទិន្នផលនៃការរំខានវ៉ុលដែលបណ្តាលមកពីការផ្លាស់ប្តូរដ៏ធំនៅក្នុងចរន្ត) តូចជាងមុនដូច្នេះវាសមស្របសម្រាប់កម្មវិធីដែលមានប្រេកង់ខ្ពស់។កញ្ចប់ប្រភេទនេះងាយស្រួលជាងក្នុងប្រតិបត្តិការហើយមានភាពជឿជាក់ខ្ពស់ជាងមុន។
កញ្ចប់ TSSOP មានលក្ខណៈពិសេសដូចខាងក្រោមៈ
•គម្លាតម្ជុលតូចៗ: គម្លាតម្ជុលជាទូទៅ 0.5 មមឬ 0,65 មម។តាមរយៈការរចនានៃរបារស្ពាន់សៀគ្វីឧបករណ៍ស្ពាន់ឧបករណ៍ឧបករណ៍ជាច្រើនអាចត្រូវបានដាក់នៅលើបន្ទះសៀគ្វីដែលមានតំបន់និងទំហំដូចគ្នា។
•វិសាលភាពនៃកម្មវិធី: វាអាចត្រូវបានអនុវត្តទៅវាលពាក្យសុំផ្សេងៗដូចជាមីក្រូវ៉េវ, DSPs, បន្ទះសៀគ្វីអង្គចងចាំនិងបន្ទះឈីបផ្គត់ផ្គង់ថាមពល។
ចំនួនម្ជុលខ្ពស់: ចំនួនម្ជុលជាទូទៅមានប្រហែលពី 20 ទៅ 64 ដែលអាចបំពេញតាមតម្រូវការសមាហរណកម្មឈីបជាក់លាក់។
ទំហំកញ្ចប់តូច: ប្រៀបធៀបជាមួយកញ្ចប់តូចតាចទំហំតូចជាងទំហំកញ្ចប់របស់វាតូចជាងកម្រកម្រមានកម្រាស់គឺស្តើងហើយបរិមាណតូចជាងដែលធ្វើឱ្យវាសមស្របសម្រាប់ការវេចខ្ចប់នៃសៀគ្វីដែលមានដង់ស៊ីតេខ្ពស់។
•ការសម្តែងខ្ពស់: វាប្រកាន់យកបច្ចេកវិទ្យាម៉ោនលើផ្ទៃមានប្រជាប្រិយភាពនិងធន់ទ្រាំនឹងការច្រេះហើយអាចបំពេញតម្រូវការពិសេសដូចជាល្បឿនលឿនប្រេកង់ប្រេកង់ខ្ពស់និងអញ្ចឹង។
លើកលែងតែបានបញ្ជាក់ទសណាស់វ៉ុលទាំងអស់ត្រូវបានសំដៅទៅលើ VSS ។
តម្លៃអប្បបរមានិងអតិបរមាត្រូវបានធានានៅក្រោមលក្ខខណ្ឌមិនល្អបំផុតការរួមបញ្ចូលសីតុណ្ហភាពព័ទ្ធជុំវិញវ៉ុលផ្គត់ផ្គង់វ៉ុលនិងប្រេកង់។ការធានាទាំងនេះត្រូវបានបង្កើតឡើងតាមរយៈការធ្វើតេស្តផលិតកម្មយ៉ាងម៉ត់ចត់ 100% នៃឧបករណ៍ដែលបានធ្វើឡើងនៅសីតុណ្ហភាពព័ទ្ធជុំវិញនៃ ta = 25 អង្សាសេនិងតា = Tamax (ដូចដែលបានកំណត់ដោយជួរសីតុណ្ហភាពដែលបានជ្រើសរើស) ។
តម្លៃដែលផ្អែកលើលទ្ធផលនៃលក្ខណៈ, លទ្ធផលនៃលក្ខណៈ, ការរចនាការ, ការរចនា, និង / ឬលក្ខណៈបច្ចេកវិទ្យាត្រូវបានគូសបញ្ជាក់នៅក្នុងតារាងលេខយោងហើយមិនបានឆ្លងកាត់ការធ្វើតេស្តផលិតកម្មទេ។ទាក់ទងនឹងលក្ខណៈអប្បបរមាតម្លៃអប្បបរមានិងអតិបរិមាទាក់ទងនឹងការវាយតម្លៃគំរូនិងបង្ហាញពីតម្លៃមធ្យមដែលមានជួរបូកឬដកការគំលាតស្តង់ដារបីដង (មធ្យម± 3 σ) ។
លើកលែងតែមានចែងយ៉ាងច្បាស់ថាតើទិន្នន័យស្តង់ដារត្រូវបានបង្កើតឡើងជាមួយ TA = 25 អង្សាសេ VDD = 5 V. តម្លៃទាំងនេះត្រូវបានផ្តល់ជូនតែម្នាក់ឯងជាឯកសារយោងរចនាហើយមិនបានឆ្លងកាត់ការសាកល្បងប៉ុណ្ណោះ។
ភាពត្រឹមត្រូវនៃតម្លៃរបស់ ADC ត្រូវបានបង្កើតឡើងតាមរយៈលក្ខណៈនៃសំណុំនៃគំរូមួយពីការបំភាន់ស្តង់ដារជាច្រើននៅទូទាំងជួរសីតុណ្ហភាពពេញលេញ។ក្នុងបរិបទនេះ 95% នៃឧបករណ៍បង្ហាញកំហុសក្នុងតម្លៃដែលបានបញ្ជាក់ (មធ្យម±2σ) ។
លើកលែងតែមានការចង្អុលបង្ហាញជាពិសេសក្រាហ្វិចក្រាហ្វិចទាំងអស់ត្រូវបានបម្រុងទុកដោយគ្រាន់តែឯកសារយោងរចនាហើយមិនត្រូវបានគេធ្វើតេស្ត៍ទេ។
លើសពីការផ្តល់ចំណាត់ថ្នាក់អតិបរិមាដែលបានបញ្ជាក់ដែលបានបញ្ជាក់អាចបណ្តាលឱ្យខូចខាតដល់ឧបករណ៍។ការវាយតម្លៃទាំងនេះគ្រាន់តែបង្ហាញពីដែនកំណត់នៃភាពតានតឹងដែលឧបករណ៍នេះអាចទ្រាំទ្របានហើយវាមិនមានបញ្ជាក់ថាឧបករណ៍នឹងដំណើរការបានត្រឹមត្រូវនៅក្រោមលក្ខខណ្ឌទាំងនេះបានត្រឹមត្រូវទេ។ការប៉ះពាល់នឹងលក្ខខណ្ឌនៅឬជិតការផ្តល់ចំណាត់ថ្នាក់អតិបរមាអាចជះឥទ្ធិពលយ៉ាងធ្ងន់ធ្ងរដល់ភាពជឿជាក់របស់ឧបករណ៍។
ប្រវត្តិសាស្រ្តបេសកកម្មរបស់ឧបករណ៍ដែលរៀបរាប់ពីលក្ខខណ្ឌនៃការដាក់ពាក្យសុំរបស់ខ្លួនប្រកាន់ខ្ជាប់នូវស្តង់ដារគុណវុឌ្ឍិ JEDEC JESD47 របស់ JEDEC ដោយមានជម្លោះបេសកកម្មបន្ថែមដែលមាននៅពេលស្នើសុំ។
ដើម្បីទទួលបានស្ថេរភាពសម្រាប់និយតករបឋមដែលជាឧបករណ៍ចាប់ថាមពលកាមេរ៉ាដែលមានស្លាកអក្សរគួរត្រូវបានភ្ជាប់ទៅនឹងលេខសម្ងាត់ VCAP ។វាចាំបាច់ណាស់ក្នុងការធានាថាការទទួលយកជាបន្តបន្ទាប់នៅតែមាននៅខាងក្រោម 15 អិន។
ការប្រើប្រាស់បច្ចុប្បន្នត្រូវបានវាស់វែងដូចរូបភាពដែលបានបង្ហាញនៅក្នុងរូបភាពខាងក្រោម។

ការផ្គត់ផ្គង់សរុបនៃការប្រើប្រាស់បច្ចុប្បន្ននៅក្នុងរបៀបរត់
MCU ត្រូវបានដាក់នៅក្រោមលក្ខខណ្ឌដូចខាងក្រោមៈ
•គ្រឿងបន្លាស់ទាំងអស់ត្រូវបានបិទ (នាឡិកាដែលឈប់ដោយការចុះឈ្មោះលេងល្បែងនាវាចរណ៍តាមគ្រឿងទេស) លើកលែងតែប្រសិនបើបានលើកឡើងយ៉ាងច្បាស់។
ម្ជុល I / O ទាំងអស់នៅក្នុងរបៀបបញ្ចូលជាមួយនឹងតម្លៃឋិតិវន្តនៅ VDD ឬ VSS (គ្មានបន្ទុក)
យោងតាមល័ក្ខខ័ណ្ឌប្រតិបត្តិការទូទៅសម្រាប់ VDD និង TA ។

stm8s103f3p6 មាន 20 ម្ជុលឈ្មោះលេខសម្ងាត់និងមុខងាររបស់វាមានដូចខាងក្រោម:
PIN1 (PD4 / BEEP / TIM2 ch1 / UART1 _CK): ច្រក D4
PIN2 (PD5 / Ain5 / UART1 _TX): ច្រក D5
PIN3 (PD6 / Ain6 / UART1 _RX): ច្រក D6
pin4 (NRST): កំណត់ឡើងវិញ
PIN5 (PA1 / OSCIN): ច្រក A1
PIN6 (PA2 / OSCOUT): ច្រក A2
PIN7 (VSS): ដីឌីជីថល
PIN8 (VCAP): 1.8 V កំណត់កុងទ័រ Capacitor
PIN9 (VDD): ការផ្គត់ផ្គង់ថាមពលឌីជីថល
Pin10 (PA3 / TIM2_ CH3 [SPI_ NSS]: កំពង់ផែ A3
PIN11 (PB5 / I2C_ SDA [bin1_ bkin]): កំពង់ផែ B5
PIN12 (PB4 / I2C_ SCL): កំពង់ផែ B4
PIN13 (PC3 / TIM1_C3 [TLI] [TLI] [TET11 Ch1N]: កំពង់ផែ C3
PIN14 (PC4 / CLK_CCO / TIM1_ CH4 / Ain2 / [[tim1 ch2n]: កំពង់ផែ C4
PIN15 (PC5 / SPI_SCK [TET C5): កំពង់ផែ C5
PIN16 (PC6 / SPI_MOSI [TIM1_ C1]): កំពង់ផែ C6
PIN17 (PC7 / SPI_MISO [TIM1_ C2]): កំពង់ផែ C7
PIN18 (PD1 / ហែលទឹក): ច្រក D1
PIN19 (PD2 / Ain3 / [[TIM2_ CH3]): ច្រក D2
PIN20 (PD3 / Ain4 / TIM2 ch2 / ADC_ ETR): ច្រក D3
ដូចដែលបានបង្ហាញក្នុងរូបភាពខាងលើ stm8s103f3p6 មានសសររហូតដល់ 16 I / O ដែលអាចត្រូវបានប្រើសម្រាប់គោលបំណងផ្សេងៗគ្នាដូចជា GPIO, PeriataceS, ADC ។ ល។ប្រើជាម្ជុលបញ្ចូលដើម្បីអានសញ្ញាខាងក្រៅឬនៅពេលម្ជុលលទ្ធផលដើម្បីផ្ញើសញ្ញាទៅឧបករណ៍ខាងក្រៅ។លើសពីនេះទៀតលេខកូដ PIN I / O នីមួយៗអាចត្រូវបានចាត់តាំងឱ្យបានដោយឯករាជ្យមួយដើម្បីជួយសម្រួលដល់ការកែទម្រង់ភាពត្រឹមត្រូវនៃការរំខាននៅពេលពួកគេកើតឡើង។
ប្រព័ន្ធស្វ័យប្រវត្តិកម្ម: ម៉ាស៊ីនកម្លាំងនេះអាចត្រូវបានប្រើក្នុងប្រព័ន្ធស្វ័យប្រវត្តិកម្មដូចជាវាំងននអគ្គិសនីប្រព័ន្ធត្រួតពិនិត្យការចូលប្រើប្រព័ន្ធត្រួតពិនិត្យការត្រួតពិនិត្យសីតុណ្ហភាពនិងការត្រួតពិនិត្យភ្លើង។
• iot (អ៊ិនធឺណិតរបស់អេឡិចត្រូនិច) ការដាក់ពាក្យសុំ: ប្រសិនបើយើងត្រូវការអភិវឌ្ឍឧបករណ៍ iOT វាអាចត្រូវបានប្រើជាឧបករណ៍បញ្ជាសម្រាប់ថ្នាំងដែលភ្ជាប់និងគ្រប់គ្រងឧបករណ៍ចាប់សញ្ញានិងម៉ូឌុលទំនាក់ទំនងផ្សេងៗ។
ឧបករណ៍អេឡិចត្រូនិចផ្ទាល់ខ្លួន: ត្រូវបានប្រើក្នុងឌីជីថលឌីជីថលម៉ាស៊ីនចាក់ MP3 និង MP4 ឧបករណ៍លេងហ្គេមអេឡិចត្រូនិច។ ល។
ឧបករណ៍អេឡិចត្រូនិចៈប្រើដើម្បីអភិវឌ្ឍឧបករណ៍អេឡិចត្រូនិចផ្សេងៗ
ដូចជាប្រដាប់ប្រដាក្មេងលេងអេឡិចត្រូនិចការបញ្ជាពីចម្ងាយអ្នកគណនាខ្នាតតូច។ ល។
•វាលឧស្សាហកម្ម: ត្រូវបានប្រើក្នុងភីអិលស៊ីឧបករណ៍បញ្ជាឧស្សាហកម្មដំណើរការស្វ័យប្រវត្តិកម្មនិងឧបករណ៍ត្រួតពិនិត្យស្វ័យប្រវត្តិកម្មដោយស្វ័យប្រវត្តិ។ ល។
•ការទទួលទិន្នន័យនិងចំណុចប្រទាក់ឧបករណ៏: ត្រូវបានប្រើដើម្បីត្រួតពិនិត្យលក្ខខណ្ឌបរិស្ថាននិងប្រមូលទិន្នន័យឬភ្ជាប់ឧបករណ៍ចាប់សញ្ញាផ្សេងៗដូចជាឧបករណ៍ចាប់សញ្ញាពន្លឺសីតុណ្ហភាពនិងឧបករណ៍ចាប់សញ្ញាសំណើម។
ប្រព័ន្ធត្រួតពិនិត្យដែលបានបង្កប់: ត្រូវបានប្រើដើម្បីរចនាប្រព័ន្ធត្រួតពិនិត្យដែលបានបង្កប់ផ្សេងៗគ្នាដូចជាប្រដាប់ប្រដាប្រើប្រាស់ក្នុងផ្ទះឧបករណ៍ឧស្សាហកម្មឧបករណ៍ថាមពលឧបករណ៍ថាមពល 8 ប៊ីតរបស់វាគឺគ្រប់គ្រាន់សម្រាប់ការងារត្រួតពិនិត្យសាមញ្ញ ៗ ជាច្រើន។
STM8S1103F3p6 គឺជាអ្នកជីកខ្នុតមីក្រូហិរញ្ញវត្ថុដែលត្រូវបានបង្កើតឡើងដោយ stmicroelectronics ។វាជាកម្មសិទ្ធិរបស់ក្រុមគ្រួសារ Stm8 នៃក្រុមហ៊ុន Microcontrolol 8 ប៊ីត 8 ហើយត្រូវបានគេប្រើយ៉ាងទូលំទូលាយនៅក្នុងប្រព័ន្ធបង្កប់និងកម្មវិធី iOT ។
STM8S103F3p6 អង្គភាពអ្នកជំនាញខ្នាតតូចមាន 640 ប៊ីតរ៉ូម 10 ប៊ីត 5 ចៅអនុបណ្ឌិត ADC, 1KB RAM ទំហំ 8KB ។
យើងអាចជំនួស STM8S103F3p6 ជាមួយ MSP430G2353, Pic16LF18444T, STM8S103F3p3, stm8s103f3p3Tr ឬ stm8s103f3p3
ត្រូវហើយ stm8s103f3p6 ត្រូវបានរចនាឡើងដោយមានលក្ខណៈពិសេសថាមពលទាបហើយអាចត្រូវបានប្រើក្នុងកម្មវិធីដែលមានថាមពលថ្មឬថាមពលទាបដែលប្រសិទ្ធភាពថាមពលចាំបាច់។
លក្ខណៈសំខាន់ៗមួយចំនួននៃ Stm8S1103F3p6 រួមមានម្ជុលសមាគម GPIO (ព័ត៌មានទូទៅបញ្ចូល / លទ្ធផល), ការប្រាស្រ័យទាក់ទង / ប្រតិបត្តិមុខសកលសកល) ការប្រាស្រ័យទាក់ទងគ្នា, កម្មវិធីកំណត់ពេលវេលា
អំពីពួកយើង
ការពេញចិត្តរបស់អតិថិជនរាល់ពេល។ការជឿទុកចិត្តគ្នាទៅវិញទៅមកនិងផលប្រយោជន៍រួម។
ការបញ្ជាក់បច្ចេកទេសនៃក្រាលីចមកិន CR2354
2024-08-02
មគ្គុទ្ទេមអេមជីអេមជី 328- PUMONTROllolor
2024-08-02
TAAB156K020Gអ៊ីមែល៖ Info@ariat-tech.comហុកថេលៈ +00 ៨៥២-៣០៥០១៩៦៦បន្ថែម៖ មជ្ឈមណ្ឌល ២៧០៣ ២៧F ហូស្តេចមជ្ឈមណ្ឌល ២-១៦,
ហ្វាយយូនផ្លូវម៉ុងគុកហូឡុងហុងកុង។